Advertisement
Bmw 850i Schaltplan Bmw-treff Forum
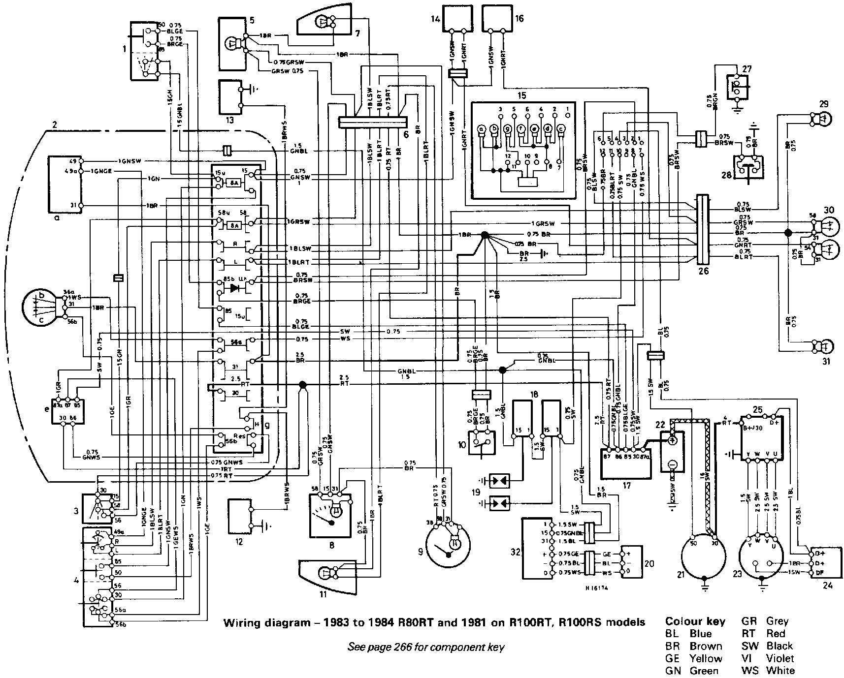
Bmw-treff forum. Schaltplan radio bmw e46. Schaltplan : hallo forum, schwierigkeiten mit entladene batterie
bmw 850i schaltplan
Download PDF
If you are {looking for|searching about} Bmw Schaltplan Lesen - Wiring Diagram you've {came|visit} to the right {place|web|page}. We have 16 {Pics|Pictures|Images} about Bmw Schaltplan Lesen - Wiring Diagram like 1992 BMW 850i for sale on BaT Auctions - sold for $16,500 on January 6, BMW 850i (1991) - Studio 434 and also BMW-Treff Forum - Diagnose 3.71 Adapter. {Read more|Here you go|Here it is}:
Bmw schaltplan lesen


Bmw-treff forum. Schaltplan : hat jemand beim einem e46 die funktion "coming home" bzw. Bmw-treff forum. Schaltplan e30 schaltung
Schaltplan : Hallo Forum, schwierigkeiten mit entladene Batterie
BMW 850i Coupe and Cabriolet Photographed on the Track » AutoGuide.com News
Bmw Schaltplan Lesen - Wiring Diagram
1992 BMW 850i 6-Speed for sale on BaT Auctions - sold for $14,000 on
Schaltplan : Hat jemand beim einem E46 die Funktion "coming home" bzw

Tidak ada komentar:
Posting Komentar