Download Images Library Photos and Pictures. Socket And Spigot Joint Free Architecture And City Icons Grp Gre Grv Pipes And Fitting Obduramus Spigot And Socket Joint Repair System By Spigot And Socket Joint Stlfinder
. Socket And Spigot Joint Free Architecture And City Icons How Do Spigot Stripes Assist In The Assembly Of Ductile Iron Pipe Mcwane Ductile Consolidated Supply Co Spears 409 007 Standard 90 Deg Street Elbow 3 4 In Spigot X Socket Sch 40 Std Pvc Domestic
Obduramus Spigot And Socket Joint Repair System By
Obduramus Spigot And Socket Joint Repair System By
Water Main Failures 2018 05 24 Phcppros
Socket And Spigot Cotter Joint Autodesk Inventor Part Design And Assembly 3d Cad Model Library Grabcad
Spigot And Socket Joint Stlfinder
China Low Price For Others Socket Spigot Fittings Bml Tml Kml Mlk Pipes Dinsen Manufacturers And Suppliers Dinsen
T Type Push In Joint Socket And Spigot Pipe Syi Pipeline Corporation
Solidworks Socket Spigot Joint Cad Tutorials Part Design Assembly Drafting Youtube
Avk Supa Lock 45 Push In Fitting Pn16 Avk International
Avk Gate Valve Bls Socket Spigot Ends Pn16 Avk International
What Is A Cotter Joint Fastener Engineering
Cascade Lead Joint Repair Collars Cascade Plc The New Home Of Cascade Clamps Uk Ltd Suppliers And Manufacturers Of Pipe Fittings To The Water Gas Industry
Spigot And Socket Joint Youtube
How Socket And Spigot Cotter Joint Animation Youtube
Water Pipes Spigot Socket Tyton Joint By Ft Ductile Ltd
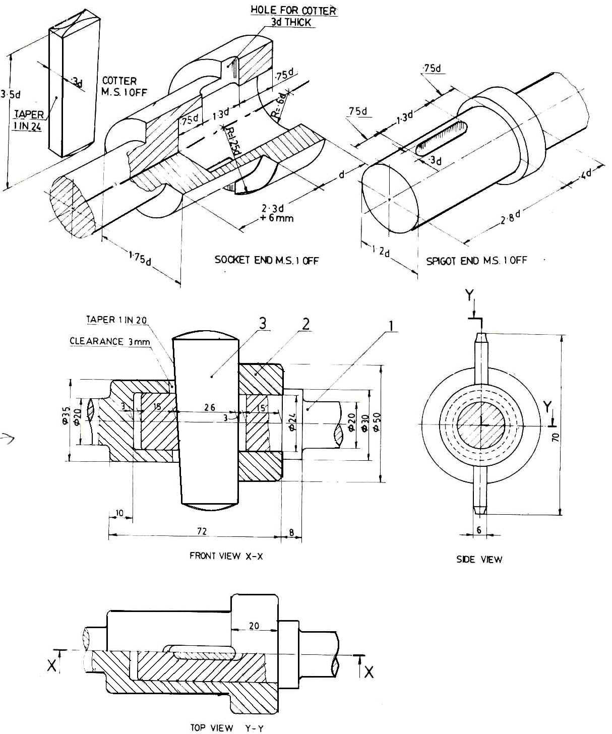
Mechanical Information Socket And Spigot Cotter Joint
Appendices Structural Design Of Culvert Joints The National Academies Press
D I Pipeline Connection Part 03 By Spigot Socket Joint Restrained Joint Etc Youtube
A588 Piling Pipe Spigot Socket Joint Ssaw Steel Pipe Marine Hdpe Lining Ssaw Astm A252 Pipe Buy A588 Piling Pipe Spigot Socket Joint Ssaw Steel Pipe Steel Pipe Product On Alibaba Com
Express New Express New Vi Joint Saint Gobain Pam International
Flipped Classroom Activity Constructor Using Existing Content Ppt Download
Drainage A Guide To Installation Pavingexpert
Molded Products 25830 200 000 2 Socket X 2 5 In Spigot Thread On 2 Black Cpvc Serviceable Check Valve 12 Per Case Walmart Canada
Plastic Upvc Socket Spigot And Flanged Reducing Tee For Water Supplying Buy Spigot And Socket Joints Socket Reducing Tee Pipe Reducing Tee Product On Alibaba Com



Tidak ada komentar:
Posting Komentar